Ножі бланкетні Tigra
Бланкетні ножі з рифленням Tigra (Німеччина) зі швидкоріжучої сталі HHS 18%
Основні напрямки професійної діяльності Leniv це виробництво, технічне обслуговування різальних інструментів та дистрибуція додаткової продукції для профільних деревообробних підприємств.
ВИРОБНИК:
- Tigra Німеччина
ЗАСТОСУВАННЯ:
- на чотиристоронніх верстатах
ПРИЗНАЧЕННЯ
- обробки м'яких і твердих порід деревини
РІЗАЛЬНИЙ МАТЕРІАЛ
- швидкоріжуча сталь HSS 18% Steel made in Germany
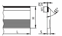
РОЗМІРНА СІТКА:
- виготовлення під замовлення
- довжина L min 40 мм – L max 650мм
- ширина H - 40 /50 / 60 / 70 мм
- товщина S – 8 мм
- профілювання ножів під замовлення

ПРОДАЖ:
- роздріб / опт (гуртовий)
ВИРОБНИЦТВО:
- Пропонуємо багатий асортимент промислового інструменту власного виробництва Leniv із високоякісної сталі та сплавів для деревообробної галузі.
- Як виробник, ми не обмежені стандартними лінійками, тому виготовляємо ножі індивідуально будь-яких форм та розмірів згідно зразкам або кресленням клієнта.
СЕРВІС:
- Профілювання стругальних ножів і бланкет під плінтус, вагонку, підлогу, паркет, блок-хаус, брус, карниз, багети, радіусні вибірки, технологічні пази, тощо.
- На базі підприємства Leniv функціонує сучасний сервісний центр з високоточним обладнанням і кваліфікованими спеціалістами. Обслуговуємо різноманітні різальні інструменти для обробки дерева, пластику, металу, харчової промисловості.
Допоможемо обрати відповідний інструмент:
+38 067 817 86 27
- від 1 538 ₴В наявності
- від 4 630 ₴В наявності











